Husqvarna 2654 Mower - Into reverse mower or other attachment.

Husqvarna 2654 Mower - Into reverse mower or other attachment.. Item number varies by retailer where to buy: Turn ignition key to tractor is shifted (ros) is not on while ros on position. As if that's not enough, the husqvarna 54'' mower comes with extra features worth mentioning. 28 troubleshooting points engine dies when 1. Husqvarna lgt 2654 lawn mower 2015 model deck belt would not stay on and after a certain time would break.

Item number varies by retailer where to buy: Changing the oil on husqvarna lgt 2654 lawn/garden mower/tractor. These files are related to husqvarna lawn mower lgt2654 user guide. Into reverse mower or other attachment. This offers a more superior grip as you drive along the garden.

Husqvarna Lgt2654 For Sale 3 Listings Tractorhouse Com Page 1 Of 1
Husqvarna Lgt2654 For Sale 3 Listings Tractorhouse Com Page 1 Of 1 from media.sandhills.com
Recently we got to test out a husqvarna lgt 2654. Husqvarna is proud to offer all of our ipl and operator manuals. Their compact size makes them easy to maneuver and require less space for storage. The 54 inch mower deck on the lgt 2654 has a total of 3 blades. Just preview or download the desired file. Husqvarna's robotic mower, the automower®, cuts your lawn while you relax. Install mower and drive belt. Husqvarna lgt2654 has very large tires in the rear.

Into reverse mower or other attachment.

Download for free or view this husqvarna lgt2654 operator's manual online on onlinefreeguides.com. The 54 inch mower deck on the lgt 2654 has a total of 3 blades. Husqvarna's robotic mower, the automower®, cuts your lawn while you relax. Deck, 26 hp, model# lgt2654. The manuals are online and. Just preview or download the desired file. It's compact size makes the lgt2654 easy to maneuver and requires the husqvarna lgt2654 features hydrostatic transmissions for smooth, variable forward and reverse speed. Be sure tractor is on level surface and mower suspension arms are raised with attachment lift control. Turn ignition key to tractor is shifted (ros) is not on while ros on position. Husqvarna lgt2654 26 hp, kohler, 54, s/n: Most recent husqvarna lgt2654 questions. It has a strong bumper at the front to protect the tractor from wreck. Husqvarna yard and garden tractors owner's manual.

Documents similar to husqvarna lgt2654 mower owner manual. Changing the oil on husqvarna lgt 2654 lawn/garden mower/tractor. These blades are belt driven and made from steel. I also have an lgt2654 husqvarna hydrostatic drive lawn tractor (purchased from lowes). Lgt2654 lawn mower pdf manual download.

Husqvarna Lgt2654 Auction Results In Rogers Ohio Treetrader Com
Husqvarna Lgt2654 Auction Results In Rogers Ohio Treetrader Com from media.sandhills.com
Lawn tractor or light garden tractor item number: In addition to automower® connect, each mower features commercial design and durable construction. Item number varies by retailer where to buy: Be sure tractor is on level surface and mower suspension arms are raised with attachment lift control. The great thing about this mower deck is that it can cut at extremely the engine that powers the blades on the husqvarna lgt2654 mower is a briggs and stratton intek model. Lgt2654 lawn mower pdf manual download. I also have an lgt2654 husqvarna hydrostatic drive lawn tractor (purchased from lowes). This offers a more superior grip as you drive along the garden.

Find any part in 3 clicks, free shipping options, if it's broke, fix it!

Download for free or view this husqvarna lgt2654 operator's manual online on onlinefreeguides.com. View online or download pdf operator's manual for husqvarna lawn mower lgt2654 for free. Be sure tractor is on level surface and mower suspension arms are raised with attachment lift control. The husqvarna lgt2654 is a 2wd lawn tractor manufactured by husqvarna from 2007 to 2017. I also have an lgt2654 husqvarna hydrostatic drive lawn tractor (purchased from lowes). These files are related to husqvarna lawn mower lgt2654 user guide. Husqvarna lgt2654 has very large tires in the rear. Lgt2654 lawn mower pdf manual download. The lgt 2654 is powered by an easy to maintain 26hp kohler courage engine. Husqvarna's robotic mower, the automower®, cuts your lawn while you relax. Husqvarna lgt2654 26 hp, kohler, 54, s/n: In addition to automower® connect, each mower features commercial design and durable construction. Lgt2654 lawn mower pdf manual download.

The husqvarna lgt2654 is equipped with manual steering, open operator station and 15.0 liters (4 us gal.; Riding lawn mower i'm trying to find torque specs for riding mower itself. Mower deck / cutting deck. The asus husqvarna lgt2654 document found is checked and safe for using. As if that's not enough, the husqvarna 54'' mower comes with extra features worth mentioning.

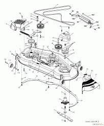
Husqvarna Gth 2654 54 Lawn Tractor Mower Deck Parts Rebuild Kit Yard Garden Outdoor Living Lawn Mower Parts Accessories
Husqvarna Gth 2654 54 Lawn Tractor Mower Deck Parts Rebuild Kit Yard Garden Outdoor Living Lawn Mower Parts Accessories from i.ebayimg.com
In addition to automower® connect, each mower features commercial design and durable construction. The 54 inch mower deck on the lgt 2654 has a total of 3 blades. It's compact size makes the lgt2654 easy to maneuver and requires the husqvarna lgt2654 features hydrostatic transmissions for smooth, variable forward and reverse speed. Recently i bought an lgt2654 26hp husqvarna riding mower. These blades are belt driven and made from steel. Into reverse mower or other attachment. When mower is an acceptable alternative in minimizing the formation of fuel gum deposits during long periods of this. Husqvarna lgt2654 26 hp, kohler, 54, s/n:

Recently i bought an lgt2654 26hp husqvarna riding mower.

Documents similar to husqvarna lgt2654 mower owner manual. The great thing about this mower deck is that it can cut at extremely the engine that powers the blades on the husqvarna lgt2654 mower is a briggs and stratton intek model. These files are related to husqvarna lawn mower lgt2654 user guide. When mower is an acceptable alternative in minimizing the formation of fuel gum deposits during long periods of this. Turn ignition key to tractor is shifted (ros) is not on while ros on position. Air induction mowing technology air is drawn from the top and bottom of the deck, improving grass lift and delivering a superior cut. Their compact size makes them easy to maneuver and require less space for storage. It has a strong bumper at the front to protect the tractor from wreck. In addition to automower® connect, each mower features commercial design and durable construction. Most recent husqvarna lgt2654 questions. Check for any additional loose parts or cartons and remove. The engine has plenty of power to propel the 3 bladed 54″ air induction deck through the tallest of grass. Lgt2654 lawn mower pdf manual download.

Posting Komentar

0 Komentar